Датчик давления с плоской мембраной с дисплеем PI1708 IFM
По этому оборудованию вас может проконсультировать специалист:
|
Прочная конструкция из нержавеющей стали, соответствующая требованиям пищевой промышленности и производства напитков гигиеничная, компактная конструкция устойчивость к очистке под высоким давлением с использованием агрессивных чистящих средств высокая термостойкость и высокий уровень защиты программируемый аналоговый и импульсный выход встроенное измерение температуры через IO-Link удобное управление с помощью кнопок или настройка параметров через IO-Link. |
Технические характеристики
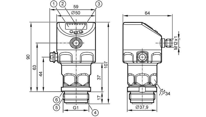
- Артикул: PI1708
- Температура эксплуатации, °C: -25…80
- Степень защиты: IP67, IP68, IP69K
- Материал корпуса: Нержавеющая сталь
Оплата осуществляется по безналичному расчету. Оформляем полный пакет документов - Счет, Товарная накладная, Договор и Спецификации.
Мы работаем с любым видом и способом доставки, который удобен покупателю. Используем проверенные транспортные компании.
Деловые линии, CDEK, DIMEX. Можем отправить продукцию и другой, удобной для вас службой.
Возможно, Вас заинтересуют:
-
Модель
PT5503
-
Монтаж в систему
G 1/4
-
Напряжение питания, В
8...36 В DC
-
Общее количество выходов
1
-
Применение
Для подвижной техники
-
Резьба разъема
M12
-
Соединение
Разъем
-
Среда
Жидкости, газы
-
Степень защиты
IP67, IP69
-
Страна происхождения
Германия
-
Модель
PU5403
-
Монтаж в систему
G 1/4
-
Напряжение питания, В
16...36 В DC
-
Общее количество выходов
1
-
Применение
Для общепромышленного применения
-
Резьба разъема
M12
-
Соединение
Разъем
-
Среда
Жидкости, газы
-
Степень защиты
IP67, IP69
-
Страна происхождения
Германия
-
Модель
PQ3834
-
Монтаж в систему
G 1/8 внутренняя резьба
-
Наличие дисплея
да
-
Напряжение питания, В
8...36 В DC
-
Общее количество выходов
2
-
Резьба разъема
M8
-
Соединение
Разъем
-
Степень защиты
IP65
-
Страна происхождения
Германия
-
Модель
PU5700
-
Монтаж в систему
G 1/4
-
Напряжение питания, В
16...32 В DC
-
Общее количество выходов
1
-
Применение
Для подвижной техники
-
Резьба разъема
DT4-3P
-
Соединение
Разъем
-
Среда
Жидкости, газы
-
Степень защиты
IP67, IP69
-
Страна происхождения
Германия
-
Модель
PU8712
-
Монтаж в систему
G 1/4
-
Напряжение питания, В
8...36 В DC
-
Общее количество выходов
1
-
Применение
Для подвижной техники
-
Резьба разъема
DT4-3P
-
Соединение
Разъем
-
Среда
Жидкости, газы
-
Степень защиты
IP67, IP69
-
Страна происхождения
Германия
-
Модель
PU5660
-
Монтаж в систему
G 1/4
-
Напряжение питания, В
16...32 В DC
-
Общее количество выходов
1
-
Применение
Для подвижной техники
-
Резьба разъема
AMP-Superseal
-
Соединение
Разъем
-
Среда
Жидкости, газы
-
Степень защиты
IP67, IP69
-
Страна происхождения
Германия
-
Монтаж в систему
G 1/4
-
Напряжение питания, В
18...36 В DC
-
Общее количество выходов
2
-
Применение
Для общепромышленного применения
-
Резьба разъема
M12
-
Соединение
Разъем
-
Среда
Жидкости
-
Степень защиты
IP65, IP67
-
Страна происхождения
Германия
-
Модель
PA3509
-
Монтаж в систему
G 1/4
-
Напряжение питания, В
9…36 В DC
-
Общее количество выходов
1
-
Применение
Для общепромышленного применения
-
Резьба разъема
M12
-
Соединение
Разъем
-
Среда
Жидкости, газы
-
Степень защиты
IP65
-
Страна происхождения
Германия
-
Модель
PU5604
-
Монтаж в систему
G 1/4
-
Напряжение питания, В
16...32 В DC
-
Общее количество выходов
1
-
Применение
Для подвижной техники
-
Резьба разъема
AMP-Superseal
-
Соединение
Разъем
-
Среда
Жидкости, газы
-
Степень защиты
IP67, IP69
-
Страна происхождения
Германия
-
Модель
PU5701
-
Монтаж в систему
G 1/4
-
Напряжение питания, В
16...32 В DC
-
Общее количество выходов
1
-
Применение
Для подвижной техники
-
Резьба разъема
DT4-3P
-
Соединение
Разъем
-
Среда
Жидкости, газы
-
Степень защиты
IP67, IP69
-
Страна происхождения
Германия
-
Название файла PDF (1)
Свидетельство об утверждении
-
Напряжение питания, В
18...36 В DC
-
Резьба разъема
G1/4
-
Соединение
Резьба
-
Среда
Жидкости, газы
-
Степень защиты
IP67
-
Страна происхождения
Германия
-
Монтаж в систему
G 1
-
Наличие дисплея
да
-
Напряжение питания, В
18...36 В DC
-
Общее количество выходов
1
-
Резьба разъема
M12
-
Соединение
Разъем
-
Среда
Жидкости, газы
-
Степень защиты
IP67, IP68, IP69
-
Страна происхождения
Германия
-
Модель
PPA020
-
Монтаж в систему
G 1/4 внутренняя резьба
-
Наличие дисплея
да
-
Напряжение питания, В
18...36 В DC
-
Применение
Для общепромышленного применения
-
Резьба разъема
M12
-
Соединение
Разъем
-
Среда
Жидкости
-
Степень защиты
IP67
-
Страна происхождения
Германия
-
Модель
PE2094
-
Монтаж в систему
G 1/4 внутренняя резьба
-
Наличие дисплея
да
-
Напряжение питания, В
18...36 В DC
-
Общее количество выходов
2
-
Применение
Для общепромышленного применения
-
Резьба разъема
M12
-
Соединение
Разъем
-
Среда
Жидкости
-
Степень защиты
IP65, IP67
-
Страна происхождения
Германия
-
Модель
PU5415
-
Монтаж в систему
G 1/4
-
Напряжение питания, В
16...36 В DC
-
Общее количество выходов
1
-
Применение
Для общепромышленного применения
-
Резьба разъема
M12
-
Соединение
Разъем
-
Среда
Жидкости, газы
-
Степень защиты
IP67, IP69
-
Страна происхождения
Германия
-
Модель
PU5443
-
Монтаж в систему
G 1/4
-
Напряжение питания, В
16...36 В DC
-
Общее количество выходов
1
-
Применение
Для общепромышленного применения
-
Резьба разъема
M12
-
Соединение
Разъем
-
Среда
Жидкости, газы
-
Степень защиты
IP67, IP69
-
Страна происхождения
Германия
-
Модель
PT0517
-
Монтаж в систему
G 1/4
-
Напряжение питания, В
5...30 В DC
-
Общее количество выходов
1
-
Применение
Для общепромышленного применения
-
Резьба разъема
M12
-
Соединение
Разъем
-
Среда
Жидкости, газы
-
Степень защиты
IP67
-
Страна происхождения
Германия
-
Модель
PM1715
-
Монтаж в систему
G 1
-
Наличие дисплея
да
-
Напряжение питания, В
18...36 В DC
-
Общее количество выходов
1
-
Резьба разъема
M12
-
Соединение
Разъем
-
Среда
Жидкости, газы
-
Степень защиты
IP67, IP68, IP69
-
Страна происхождения
Германия
-
Модель
PE7004
-
Монтаж в систему
G 1/4 внутренняя резьба
-
Наличие дисплея
да
-
Напряжение питания, В
18...36 В DC
-
Общее количество выходов
2
-
Среда
Жидкости, газы
-
Степень защиты
IP67
-
Страна происхождения
Германия
Напишите нам
Свяжитесь с нами прямо сейчас и получите подробную информацию о товаре.