Ультразвуковой расходомер SU6621 IFM
По этому оборудованию вас может проконсультировать специалист:
|
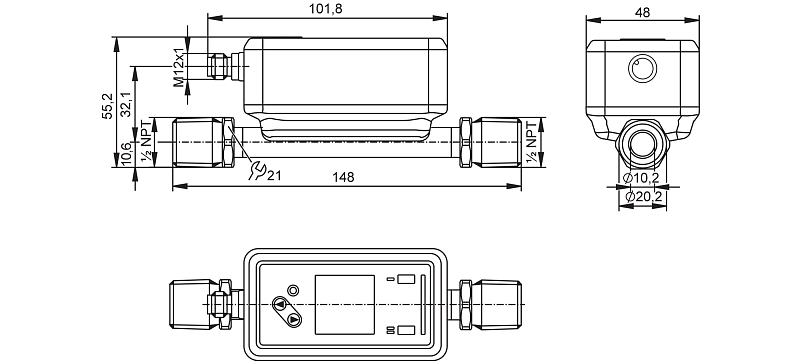
Точное измерение расхода сверхчистой воды и обычной воды прочная, не содержащая компонентов измерительная труба из нержавеющей стали обеспечивает высокую устойчивость к воздействию среды и постоянную защиту от проникновения влаги высокоточный процесс измерения в потоке исключает влияние различной толщины стенок и материалов труб светодиодный индикатор состояния датчика позволяет делать выводы о качестве процесса удобное управление с помощью кнопок или настройка параметров через IO-Link |
Технические характеристики
- Артикул: SU6621
- Температура эксплуатации, °C: -20...60
- Степень защиты: IP65, IP67
- Соединение: Резьба
- Материал корпуса: Нержавеющая сталь
Оплата осуществляется по безналичному расчету. Оформляем полный пакет документов - Счет, Товарная накладная, Договор и Спецификации.
Мы работаем с любым видом и способом доставки, который удобен покупателю. Используем проверенные транспортные компании.
Деловые линии, CDEK, DIMEX. Можем отправить продукцию и другой, удобной для вас службой.
Возможно, Вас заинтересуют:
-
Монтаж в систему
3/4 DIN
-
Напряжение питания, В
8...32 DC
-
Резьба разъема
M12
-
Соединение
Разъем
-
Среда
Вода, жидкости
-
Степень защиты
IP69
-
Температура измеряемой среды Max, °C
120
-
Температура измеряемой среды Min, °C
-40
-
Напряжение питания, В
24
-
Серия
Proline Prosonic Flow G 300
-
Соединение
Фланец
-
Среда
газ
-
Степень защиты
IP66, IP67
-
Монтаж в систему
G 1 1/4 (DN32)
-
Напряжение питания, В
8...32 DC
-
Резьба разъема
M12
-
Соединение
Разъем
-
Среда
Вода, жидкости
-
Степень защиты
IP67
-
Температура измеряемой среды Max, °C
124
-
Температура измеряемой среды Min, °C
-44
-
Монтаж в систему
PN 40
-
Напряжение питания, В
24 DC
-
Погрешность измерения
Объемный расход (стандарт): - ±1,0 % или от 3 до 40 м/с (от 9,84 до 131,23 фута/с); - ±2 % или от 0,3 до 3 м/с (от 0,98 до 9,84 фута/с) Объемный расход (опция) калибровка): ‐ ±0,5 % или для 3–40 м/с (9,84–131,23 фут/с); ‐ ±1,0 % или 0,3–3 м/с (0,98–9,84 фут/с) Скорректированный объемный расход (стандартно): ‐ ±1,5 % или для 3–40 м/с (9,84–131,23 фут/с); ‐ ±2,5 % или 0,3–3 м/с (0,98–9,84 фут/с) Скорректированный объемный расход (дополнительная калибровка): ‐ ± 1,0 % или от 3 до 40 м/с (от 9,84 до 131,23 фута/с); ‐ ±1,5 % или от 0,3 до 3 м/с (от 0,98 до 9,84 фута/с) Скорость звука: ±0,2 %
-
Резьба разъема
G 1/4, G 1/2
-
Соединение
Фланец
-
Среда
газ
-
Степень защиты
IP66, IP67
-
Монтаж в систему
G 1 1/4
-
Название файла PDF (1)
Руководство по эксплуатации
-
Название файла PDF (2)
Технический паспорт
-
Напряжение питания, В
19...30 DC
-
Потребление тока
100 мА
-
Резьба разъема
M12
-
Соединение
Разъем
-
Среда
Вода, жидкости
-
Степень защиты
IP67
-
Монтаж в систему
G 1 (DN25)
-
Напряжение питания, В
8...32 DC
-
Резьба разъема
M12
-
Соединение
Разъем
-
Среда
Вода, жидкости
-
Степень защиты
IP67
-
Температура измеряемой среды Max, °C
124
-
Температура измеряемой среды Min, °C
-44
-
Монтаж в систему
G 2 (DN50)
-
Питание
18...32
-
Резьба разъема
M12
-
Соединение
Разъем
-
Среда
Вода
-
Степень защиты
IP67
-
Температура измеряемой среды Max, °C
100
-
Температура измеряемой среды Min, °C
-20
-
Монтаж в систему
G 3/4 (DN 20)
-
Напряжение питания, В
18...32 DC
-
Резьба разъема
M12
-
Соединение
Разъем
-
Среда
Вода
-
Степень защиты
IP67
-
Температура измеряемой среды Max, °C
124
-
Температура измеряемой среды Min, °C
-44
-
Монтаж в систему
G 1 1/4
-
Название файла PDF (1)
Руководство по эксплуатации
-
Название файла PDF (2)
Технический паспорт
-
Напряжение питания, В
19...30 DC
-
Потребление тока
100 мА
-
Резьба разъема
M12
-
Соединение
Разъем
-
Среда
Вода, жидкости
-
Степень защиты
IP67
-
Температура измеряемой среды Max, °C
80
-
Температура измеряемой среды Min, °C
-10
-
Монтаж в систему
G 2 (DN50)
-
Напряжение питания, В
8...32 DC
-
Резьба разъема
M12
-
Соединение
Разъем
-
Среда
Вода, жидкости
-
Степень защиты
IP67, IP69
-
Монтаж в систему
DN80 A DIN
-
Напряжение питания, В
8...32 DC
-
Резьба разъема
M12
-
Соединение
Разъем
-
Среда
Вода, жидкости
-
Степень защиты
IP69
-
Температура измеряемой среды Max, °C
120
-
Температура измеряемой среды Min, °C
-40
-
Серия
Proline Prosonic Flow 92F
-
Соединение
Фланец
-
Среда
вода, жидкости
-
Степень защиты
IP67, IP68
-
Температура измеряемой среды Max, °C
200
-
Температура измеряемой среды Min, °C
-40
-
Серия
Proline Prosonic Flow 92F
-
Соединение
Фланец
-
Среда
вода, жидкости
-
Степень защиты
IP67, IP68
-
Температура измеряемой среды Max, °C
200
-
Температура измеряемой среды Min, °C
-40
-
Монтаж в систему
G ½ (DN15)
-
Напряжение питания, В
18...32 DC
-
Резьба разъема
M12
-
Соединение
Разъем
-
Среда
Вода, жидкости
-
Степень защиты
IP67
-
Температура измеряемой среды Max, °C
100
-
Температура измеряемой среды Min, °C
-20
-
Монтаж в систему
G 1/2 (DN15)
-
Напряжение питания, В
8...32 DC
-
Резьба разъема
M12
-
Соединение
Разъем
-
Среда
Вода, жидкости
-
Степень защиты
IP67, IP69
-
Температура измеряемой среды Max, °C
120
-
Температура измеряемой среды Min, °C
-40
-
Монтаж в систему
4" C DIN
-
Напряжение питания, В
8...32 DC
-
Резьба разъема
M12
-
Соединение
Разъем
-
Среда
Вода, жидкости
-
Степень защиты
IP69
-
Температура измеряемой среды Max, °C
120
-
Температура измеряемой среды Min, °C
-40
-
Напряжение питания, В
24
-
Серия
Proline Prosonic Flow G 300
-
Соединение
Фланец
-
Среда
газ
-
Степень защиты
IP66, IP67
-
Напряжение питания, В
24
-
Серия
Proline Prosonic Flow G 300
-
Соединение
Фланец
-
Среда
газ
-
Степень защиты
IP66, IP67
Напишите нам
Свяжитесь с нами прямо сейчас и получите подробную информацию о товаре.