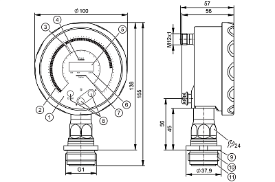
Датчик давления с плоской мембраной с дисплеем PG1704 IFM
По этому оборудованию вас может проконсультировать специалист:
|
Манометр, реле давления и преобразователь в одном устройстве Отличная читаемость даже на большом расстоянии Поворотный дисплей со светодиодной индикацией для удобной визуализации Гигиеничный, прочный корпус из нержавеющей стали, соответствующий требованиям пищевой промышленности Подключение к технологической магистрали заподлицо для использования в процессах CIP и SIP Встроенное измерение температуры через IO-Link Удобное управление с помощью кнопок или настройка параметров через IO-Link |
Технические характеристики
- Артикул: PG1704
- Температура эксплуатации, °C: -25…70
- Степень защиты: IP67, IP69
- Материал корпуса: Нержавеющая сталь
Оплата осуществляется по безналичному расчету. Оформляем полный пакет документов - Счет, Товарная накладная, Договор и Спецификации.
Мы работаем с любым видом и способом доставки, который удобен покупателю. Используем проверенные транспортные компании.
Деловые линии, CDEK, DIMEX. Можем отправить продукцию и другой, удобной для вас службой.
Возможно, Вас заинтересуют:
-
Модель
PU5760
-
Монтаж в систему
G 1/4
-
Напряжение питания, В
16...32 В DC
-
Общее количество выходов
1
-
Применение
Для подвижной техники
-
Резьба разъема
DT4-3P
-
Соединение
Разъем
-
Среда
Жидкости, газы
-
Степень защиты
IP67, IP69
-
Страна происхождения
Германия
-
Модель
PM1609
-
Монтаж в систему
G 1
-
Наличие дисплея
да
-
Напряжение питания, В
18...36 В DC
-
Общее количество выходов
1
-
Резьба разъема
M12
-
Соединение
Разъем
-
Среда
Жидкости, газы
-
Степень защиты
IP67, IP68, IP69
-
Страна происхождения
Германия
-
Модель
PA3026
-
Монтаж в систему
G 1/4 внутренняя резьба
-
Напряжение питания, В
9…36 В DC
-
Общее количество выходов
1
-
Применение
Для общепромышленного применения
-
Резьба разъема
M12
-
Соединение
Разъем
-
Среда
Жидкости, газы
-
Степень защиты
IP65
-
Страна происхождения
Германия
-
Модель
PN7594
-
Монтаж в систему
G 1/4
-
Напряжение питания, В
18...36 В DC
-
Общее количество выходов
2
-
Применение
Для общепромышленного применения
-
Резьба разъема
M12
-
Соединение
Разъем
-
Среда
Жидкости, газы
-
Степень защиты
IP65, IP67
-
Страна происхождения
Германия
-
Модель
PU8560
-
Монтаж в систему
G 1/4
-
Напряжение питания, В
8...36 В DC
-
Общее количество выходов
1
-
Применение
Для подвижной техники
-
Резьба разъема
M12
-
Соединение
Разъем
-
Среда
Жидкости, газы
-
Степень защиты
IP67, IP69
-
Страна происхождения
Германия
-
Модель
PE2596
-
Монтаж в систему
G 1/4
-
Наличие дисплея
да
-
Напряжение питания, В
18...36 В DC
-
Общее количество выходов
2
-
Применение
Для общепромышленного применения
-
Резьба разъема
M12
-
Соединение
Разъем
-
Среда
Жидкости
-
Степень защиты
IP65, IP67
-
Страна происхождения
Германия
-
Модель
PT0517
-
Монтаж в систему
G 1/4
-
Напряжение питания, В
5...30 В DC
-
Общее количество выходов
1
-
Применение
Для общепромышленного применения
-
Резьба разъема
M12
-
Соединение
Разъем
-
Среда
Жидкости, газы
-
Степень защиты
IP67
-
Страна происхождения
Германия
-
Модель
PN7597
-
Монтаж в систему
G 1/4
-
Напряжение питания, В
18...36 В DC
-
Общее количество выходов
2
-
Применение
Для общепромышленного применения
-
Резьба разъема
M12
-
Соединение
Разъем
-
Среда
Жидкости, газы
-
Степень защиты
IP65, IP67
-
Страна происхождения
Германия
-
Модель
PT3543
-
Монтаж в систему
G 1/4
-
Напряжение питания, В
8...36 В DC
-
Общее количество выходов
1
-
Применение
Для общепромышленного применения
-
Резьба разъема
M12
-
Соединение
Разъем
-
Среда
Жидкости, газы
-
Степень защиты
IP67, IP69
-
Страна происхождения
Германия
-
Модель
PU8703
-
Монтаж в систему
G 1/4
-
Напряжение питания, В
8...36 В DC
-
Общее количество выходов
1
-
Применение
Для подвижной техники
-
Резьба разъема
DT4-3P
-
Соединение
Разъем
-
Среда
Жидкости, газы
-
Степень защиты
IP67, IP69
-
Страна происхождения
Германия
-
Модель
PN7299
-
Монтаж в систему
1/4 NPT внутренняя резьба
-
Напряжение питания, В
18...36 В DC
-
Общее количество выходов
2
-
Применение
Для общепромышленного применения
-
Резьба разъема
M12
-
Соединение
Разъем
-
Среда
Жидкости, газы
-
Степень защиты
IP65, IP67
-
Страна происхождения
Германия
-
Температура измеряемой среды Max, °C
80
-
Температура измеряемой среды Min, °C
-25
-
Монтаж в систему
G 1/4
-
Напряжение питания, В
8...36 В DC
-
Резьба разъема
DIN
-
Соединение
Разъем
-
Среда
Жидкости, газы
-
Степень защиты
IP67
-
Страна происхождения
Германия
-
Модель
PN7370
-
Монтаж в систему
7/16 - 20 UNF внутренняя резьба
-
Напряжение питания, В
18...36 В DC
-
Общее количество выходов
2
-
Применение
Для общепромышленного применения
-
Резьба разъема
M12
-
Соединение
Разъем
-
Среда
Жидкости, газы
-
Степень защиты
IP65, IP67
-
Страна происхождения
Германия
-
Температура измеряемой среды Max, °C
80
-
Температура измеряемой среды Min, °C
-25
-
Модель
PE2093
-
Монтаж в систему
G 1/4 внутренняя резьба
-
Наличие дисплея
да
-
Напряжение питания, В
18...36 В DC
-
Общее количество выходов
2
-
Применение
Для общепромышленного применения
-
Резьба разъема
M12
-
Соединение
Разъем
-
Среда
Жидкости
-
Степень защиты
IP65, IP67
-
Страна происхождения
Германия
-
Модель
PK6732
-
Монтаж в систему
R 1/4
-
Наличие дисплея
да
-
Напряжение питания, В
9…36 В DC
-
Общее количество выходов
2
-
Резьба разъема
M12
-
Соединение
Разъем
-
Среда
Жидкости, газы
-
Степень защиты
IP67
-
Страна происхождения
Германия
-
Модель
PU5412
-
Монтаж в систему
G 1/4
-
Напряжение питания, В
16...36 В DC
-
Общее количество выходов
1
-
Применение
Для общепромышленного применения
-
Резьба разъема
M12
-
Соединение
Разъем
-
Среда
Жидкости, газы
-
Степень защиты
IP67, IP69
-
Страна происхождения
Германия
Напишите нам
Свяжитесь с нами прямо сейчас и получите подробную информацию о товаре.