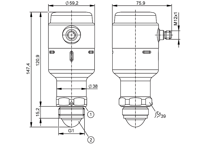
Датчик непрерывного уровня LW2120 IFM
По этому оборудованию вас может проконсультировать специалист:
|
Радар с частотой 80 ГГц обеспечивает измерение уровня с точностью до миллиметра (до 10 метров) бесконтактный принцип измерения: отсутствие сбоев из-за отложений или износа прямое измерение или измерение через неметаллические стены простая установка и не требующая технического обслуживания эксплуатация дистанционная настройка параметров датчика и контроль уровня через подключение к ИТ-системе интуитивно понятная настройка и визуализация измеренных данных с помощью программного обеспечения ifm Vision Assistant |
Технические характеристики
- Артикул: LW2120
- Температура эксплуатации, °C: -40…80
- Степень защиты: IP68, IP69K
- Материал корпуса: Нержавеющая сталь
Оплата осуществляется по безналичному расчету. Оформляем полный пакет документов - Счет, Товарная накладная, Договор и Спецификации.
Мы работаем с любым видом и способом доставки, который удобен покупателю. Используем проверенные транспортные компании.
Деловые линии, CDEK, DIMEX. Можем отправить продукцию и другой, удобной для вас службой.
Возможно, Вас заинтересуют:
-
Название файла PDF (1)
Техническое описание
-
Питание
2-проводный (HART / PROFIBUS PA/ FOUNDATION Fieldbus) 4-проводный (HART)
-
Погрешность измерения
±2 мм
-
Резьба разъема
R 1 1/2, MNPT 1 1/2
-
Соединение
Разъем, фланец
-
Серия
Micropilot
-
Среда
Твердые среды
-
Температура измеряемой среды Max, °C
130
-
Температура измеряемой среды Min, °C
-40
-
Монтаж в систему
½” NPT
-
Питание
9–32 В пост. тока; 9–17,5 В в установках FISCO; 16–32 В пост. тока в взрывозащищенных установках
-
Погрешность измерения
± 3 мм; ± 10 мм
-
Резьба разъема
M12
-
Соединение
Разъем
-
Степень защиты
IP66, IP67
-
Название файла PDF (1)
Краткая инструкция
-
Питание
2-проводное (HART / PROFIBUS PA / FOUNDATION Fieldbus) 4-проводное (HART), Технология беспроводной связи Bluetooth® и приложение (опция)
-
Погрешность измерения
±3 мм
-
Резьба разъема
R 1 1/2, MNPT 1 1/2
-
Соединение
Разъем, фланец
-
Температура измеряемой среды Max, °C
+400
-
Температура измеряемой среды Min, °C
-40
-
Название файла PDF (1)
Руководство по эксплуатации
-
Название файла PDF (2)
Технический паспорт
-
Резьба разъема
G 3/4, ≥ 3/4 NPT
-
Название файла PDF (1)
Руководство по эксплуатации
-
Название файла PDF (2)
Технический паспорт
-
Соединение
Резьба, фланец
-
Серия
Micropilot
-
Среда
Твердые среды
-
Температура измеряемой среды Max, °C
450
-
Температура измеряемой среды Min, °C
-40
-
Название файла PDF (1)
Краткое руководство
-
Питание
2-проводный (HART / PROFIBUS PA/ FOUNDATION Fieldbus) 4-проводный (HART) Технология беспроводной связи Bluetooth® и соответствующее приложение (опция)
-
Погрешность измерения
±6 мм
-
Резьба разъема
R 1 1/2, MNPT 1 1/2
-
Соединение
Резьба, фланец
-
Температура измеряемой среды Max, °C
150
-
Температура измеряемой среды Min, °C
-40
-
Напряжение питания, В
24, 220
-
Питание
2-проводный (HART) Технология беспроводной связи Bluetooth® и соответствующее приложение (опция)
-
Погрешность измерения
±1 мм
-
Резьба разъема
G 1 1/2, MNPT 1 1/2
-
Соединение
Резьба, фланец
-
Степень защиты
IP66, IP67, IP68
-
Температура измеряемой среды Max, °C
130
-
Температура измеряемой среды Min, °C
-40
-
Погрешность измерения
±2 мм
-
Температура измеряемой среды Max, °C
+80
-
Температура измеряемой среды Min, °C
-40
-
Серия
Micropilot
-
Среда
Жидкости
-
Температура измеряемой среды Max, °C
150
-
Температура измеряемой среды Min, °C
-40
-
Название файла PDF (1)
Краткая инструкция
-
Питание
2-проводный (HART / PROFIBUS PA/ FOUNDATION Fieldbus) 4-проводный (HART) Технология беспроводной связи Bluetooth® и соответствующее приложение (опция)
-
Соединение
Фланец
-
Температура измеряемой среды Max, °C
+80
-
Температура измеряемой среды Min, °C
-50
-
Серия
Micropilot
-
Среда
Жидкости
-
Температура измеряемой среды Max, °C
150
-
Температура измеряемой среды Min, °C
-40
-
Название файла PDF (1)
Руководство по эксплуатации
-
Название файла PDF (2)
Технический паспорт
-
Резьба разъема
G 1 1/2, 1 1/2 NPT, R 1 1/2
-
Соединение
Резьба, фланец
-
Название файла PDF (1)
Описание
-
Название файла PDF (2)
Техническое описание
-
Питание
2-проводный (HART/ PROFIBUS PA/ FOUNDATION Fieldbus); 4-проводный (HART) Технология беспроводной связи Bluetooth® и соответствующее приложение (опция)
-
Погрешность измерения
±3 мм
-
Соединение
Фланец, монтажный кронштейн
Напишите нам
Свяжитесь с нами прямо сейчас и получите подробную информацию о товаре.